Accurate flash testing
of high-efficiency PV modules with QuickSun®
PV flash testing using Capacitance Compensation (CAC)
High-efficiency solar cells – such as PERC, HJT, TOPCon and IBC – are gaining in production volume and market share. However, the PV flash testing in many manufacturing lines cannot accurately measure the maximum power of these PV products. Typically, maximum power is underestimated, causing manufacturers to sell their products with lower power, and thus lower price.
The difficulty of accurately measuring these products is caused by the high capacitance of high-efficiency technologies. Due to well-passivated surfaces and high effective minority carrier lifetimes, these architectures store a considerable amount of electric charge within the devices. Consequently, charging and discharging of the device during flash testing distorts the measured I-V curve and maximum power when short flash pulses are applied.
As steady-state solar simulators and flash testers with extensively long flash pulses are expensive, Endeas has developed a solution that is applicable to flash testers with relatively short flash pulses. The Capacitance Compensation (CAC) method enables accurate I-V curve and power measurements of high-efficiency photovoltaic (PV) product with QuickSun® solar simulators using a flash pulse of less than 40 milliseconds.
flash testing with Capacitance Compensation method
In PV flash test, an I-V curve is obtained by sweeping the output voltage from open-circuit to short-circuit conditions. During the sweep the induced output current is recorded.

The first figure shows uncorrected I-V curves corresponding to a high-efficiency solar cell with Voc of 720 mV. A linear 20 ms sweep of the output voltage was applied in both the forward direction and the reverse direction. The measurement artefacts due to capacitive charge storage in the solar cell are visible around the maximum power point (MP). Compared to simulated steady state curve forward sweep underestimates the output current. Furthermore, backward sweep overestimates the measured current. Typically solar simulators determine the I-V curve based on a single forward sweep of the voltage. This underestimates the the maximum power when high-efficiency products are measured.
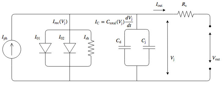
High capacitance equivalent circuit
The second figure shows the equivalent circuit of a typical c-Si PV cell. This circuit includes the steady-state components and the capacitive components causing the measurement artefacts during short flash pulses.

The current which goes to the diodes and shunt resistance depend solely on voltage. There for these are independent of the rate at which the voltage is swept during a flash pulse. In contrast, the current which goes to capacitances depends not only on the voltage but also on its rate of change. This makes the cell behave differently depending on the rate at which the voltage is swept during the flash pulse. The capacitive components are negligible in traditional PV cells, enabling the voltage to be swept at any rate. With recent high-efficiency PV technologies this is no longer the case.
The CAC method measures the capacitance of the PV cell or module. The result is based on the current and voltage recorded during a normal flash pulse. By observing how the measured current behaves while a forward sweep charges and a successive reverse sweep discharges the device, the method accurately measures the device’s capacitance. Once the capacitance is known and influence eliminated, the steady-state I-V curve and maximum power are constructed.
Experimental proof of accurate flash testing with the CaC
The accuracy of the CAC method was evaluated using a modern high-efficiency solar cell with an Voc of 720 mV. In the experiment, forward- and reverse-swept I-V curves were measured and used to obtain the CAC-corrected current. A point-wise averaged I-V curve (denoted as simple average) was also calculated for comparison. The deviation of the efficiencies determined from these I-V curves from the steady-state efficiency are compared in the last figure with different sweep times.

The forward sweep corresponds to a traditional flash measurement. It includes unacceptable error even with the longest experimental sweep times. The efficiency determined with the CAC method stays within <0.1%rel error already with a sweep time of 20 ms. In contrast, increased sweep with simple averaging of the I-V curves introduces a significant error (>0.1 %rel) below 60 ms. The CAC method thus provides a considerable improvement in comparison to the simple point-wise averaging of the I-V curves.
The CAC method allows decreasing the sweep time below 20 ms, even when state-of-the-art high Voc solar cells are measured. Thus, both forward and reverse sweep can be measured within single 40 ms flash pulse. This is a tremendous technical advantage from the perspective of flash system durability and total testing time.
The above-presented cell results are fully transferrable to the module lThe above-presented cell results are fully transferrable to the module level. Hence, the CAC method allows accurate determination of steady-state I-V parameters in modern high-efficiency solar cells and modules. The CAC method is included in all current QuickSun® solar simulator models from Endeas.

